特點及用途:
彈性體由整塊鋼材精密加工而成,承受拉、壓力均可,輸出靈敏度高、計量準確度高、抗偏載能力強、安裝穩(wěn)定性好。此款傳感器廣泛用于科研、測控工業(yè)及自動化設備的檢測與測試。
技術指標:
量 程 SLC-S1:10N、50N
SLC-S2:50N、100N、200N、300N、500N
SLC-S3:1000N、2000N、3000N、6000N
SLC-S4:10kN、20kN、30kN、50kN、60kN
準 確 度 0.02%FS
安 全 過 載 150%FS
安 全 側 載 30%FS
輸 入 阻 抗 400 ± 4Ω
輸 出 阻 抗 350 ± 2Ω
工 作 溫 度 -40~80℃ (常溫型)
激勵電壓范圍 5~15VDC
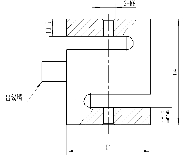
S-1:

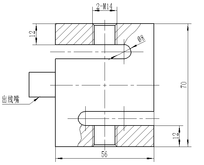
S-2:

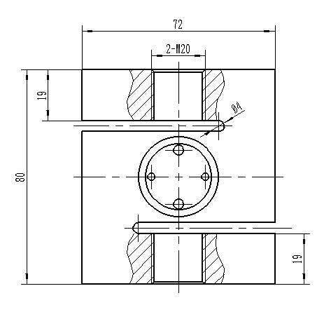
S-3:

S-4:
